In a microcontroller
or in any microprocessor, we could check the status of a device or input from a
pin in two different ways:
i.
Polling
ii.
Interrupt
Method
In polling the µC periodically check for
the input or status flags from the external peripheral to get the status of its
working. In the case of interrupt method when the external (or even internal)
peripheral needs the attention of the processor, it will trigger an interrupt
and the processor will stop execution of the current statements and store the
present program address in system stack, execute a set of codes called ISR
(Interrupt Service Routine) associated with the particular interrupt and
restores the lastly executed program from stack and continue its work.
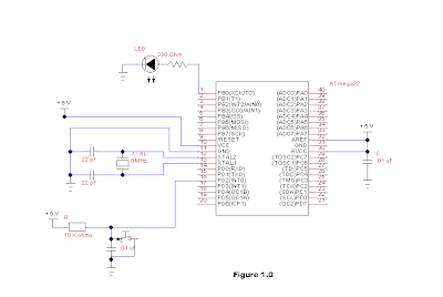
In this chapter we will be
demonstrating how we can make an external interrupt to trigger our ATMEGA32 µC. We will be connecting
an external switch to the external interrupt 0 (INT0) of our µC and toggling the led
connected to the circuit.
In order to trigger enable the
external interrupt we must do three things mainly:
i.
Unmask
the needed external interrupt in the GICR (General Interrupt Control Register).
Unmask the INT0 bit
for enabling INT0
Unmask the INT1 bit
for enabling INT1
Unmask the INT2 bit
for enabling INT2
ii.
Set the
interrupt sense bits in the MCUCR (MCU Control Register), ie. to enable
interrupt when there is a change in voltage level / when there is a rising edge
/ falling edge etc.
iii.
Set the
global interrupt enable bit in the SREG which is being done by calling the
function sei( );
Example 1: Toggling LED on External Interrupt INT0
Program:
#include
<avr/io.h>
#include
<util/delay.h>
#include<avr/interrupt.h>
void main()
{
DDRB = 0b00000001;
PORTB = 0b00000001;
GICR = 0b01000000; //Enabling
external interrupt 0
MCUCR = 0b00000011; //INT0 triggered
on rising edge
sei( );
while(1)
{
}
}
ISR(INT0_vect)
//Interrupt Service Routine for external Interrupt
{
PORTB ^= 0b00000001;
}
·
Here we
have included the interrupt.h header file which do contains the vector number
and other interrupt related definitions for using external interrupts.
·
In the
circuit we have connected a switch to the INT0th pin with a 10K pull up
resistor so that is we press switch it will become logical low and else it will
be logical high.
·
In GICR
we have enabled just the external interrupt 0 ie. INT0.
·
We have
set the MCUCR to trigger the INT0 on external interrupt 0 on rising edge.
·
We have
called the sei( ) interrupt enabler function.
·
We have
used ISR(INT0_vect) to write the statements associated with the INT0 interrupt.
INT0_vect is the alias for interrupt vector number whose definition comes in
the interrupt.h header file.
The following tables give the list of all
available interrupts and its use:
Vector name
|
Old vector name
|
Description
|
ADC_vect
|
SIG_ADC
|
ADC Conversion Complete
|
ANALOG_COMP_0_vect
|
SIG_COMPARATOR0
|
Analog Comparator 0
|
ANALOG_COMP_1_vect
|
SIG_COMPARATOR1
|
Analog Comparator 1
|
ANALOG_COMP_2_vect
|
SIG_COMPARATOR2
|
Analog Comparator 2
|
ANALOG_COMP_vect
|
SIG_COMPARATOR
|
Analog Comparator
|
ANA_COMP_vect
|
SIG_COMPARATOR
|
Analog Comparator
|
CANIT_vect
|
SIG_CAN_INTERRUPT1
|
CAN Transfer Complete or Error
|
EEPROM_READY_vect
|
SIG_EEPROM_READY, SIG_EE_READY
|
|
EE_RDY_vect
|
SIG_EEPROM_READY
|
EEPROM Ready
|
EE_READY_vect
|
SIG_EEPROM_READY
|
EEPROM Ready
|
EXT_INT0_vect
|
SIG_INTERRUPT0
|
External Interrupt Request 0
|
INT0_vect
|
SIG_INTERRUPT0
|
External Interrupt 0
|
INT1_vect
|
SIG_INTERRUPT1
|
External Interrupt Request 1
|
INT2_vect
|
SIG_INTERRUPT2
|
External Interrupt Request 2
|
INT3_vect
|
SIG_INTERRUPT3
|
External Interrupt Request 3
|
INT4_vect
|
SIG_INTERRUPT4
|
External Interrupt Request 4
|
INT5_vect
|
SIG_INTERRUPT5
|
External Interrupt Request 5
|
INT6_vect
|
SIG_INTERRUPT6
|
External Interrupt Request 6
|
INT7_vect
|
SIG_INTERRUPT7
|
External Interrupt Request 7
|
IO_PINS_vect
|
SIG_PIN, SIG_PIN_CHANGE
|
External Interrupt Request 0
|
LCD_vect
|
SIG_LCD
|
LCD Start of Frame
|
LOWLEVEL_IO_PINS_vect
|
SIG_PIN
|
Low-level Input on Port B
|
OVRIT_vect
|
SIG_CAN_OVERFLOW1
|
CAN Timer Overrun
|
PCINT0_vect
|
SIG_PIN_CHANGE0
|
Pin Change Interrupt Request 0
|
PCINT1_vect
|
SIG_PIN_CHANGE1
|
Pin Change Interrupt Request 1
|
PCINT2_vect
|
SIG_PIN_CHANGE2
|
Pin Change Interrupt Request 2
|
PCINT3_vect
|
SIG_PIN_CHANGE3
|
Pin Change Interrupt Request 3
|
PCINT_vect
|
SIG_PIN_CHANGE, SIG_PCINT
|
|
PSC0_CAPT_vect
|
SIG_PSC0_CAPTURE
|
PSC0 Capture Event
|
PSC0_EC_vect
|
SIG_PSC0_END_CYCLE
|
PSC0 End Cycle
|
PSC1_CAPT_vect
|
SIG_PSC1_CAPTURE
|
PSC1 Capture Event
|
PSC1_EC_vect
|
SIG_PSC1_END_CYCLE
|
PSC1 End Cycle
|
PSC2_CAPT_vect
|
SIG_PSC2_CAPTURE
|
PSC2 Capture Event
|
PSC2_EC_vect
|
SIG_PSC2_END_CYCLE
|
PSC2 End Cycle
|
SPI_STC_vect
|
SIG_SPI
|
Serial Transfer Complete
|
SPM_RDY_vect
|
SIG_SPM_READY
|
Store Program Memory Ready
|
SPM_READY_vect
|
SIG_SPM_READY
|
Store Program Memory Read
|
TIM0_COMPA_vect
|
SIG_OUTPUT_COMPARE0A
|
Timer/Counter Compare Match A
|
TIM0_COMPB_vect
|
SIG_OUTPUT_COMPARE0B
|
Timer/Counter Compare Match B
|
TIM0_OVF_vect
|
SIG_OVERFLOW0
|
Timer/Counter0 Overflow
|
TIM1_CAPT_vect
|
SIG_INPUT_CAPTURE1
|
Timer/Counter1 Capture Event
|
TIM1_COMPA_vect
|
SIG_OUTPUT_COMPARE1A
|
Timer/Counter1 Compare Match A
|
TIM1_COMPB_vect
|
SIG_OUTPUT_COMPARE1B
|
Timer/Counter1 Compare Match B
|
TIM1_OVF_vect
|
SIG_OVERFLOW1
|
Timer/Counter1 Overflow
|
TIMER0_CAPT_vect
|
SIG_INPUT_CAPTURE0
|
ADC Conversion Complete
|
TIMER0_COMPA_vect
|
SIG_OUTPUT_COMPARE0A
|
TimerCounter0 Compare Match A
|
TIMER0_COMPB_vect
|
SIG_OUTPUT_COMPARE0B,
SIG_OUTPUT_COMPARE0_B
|
Timer Counter 0 Compare Match B
|
TIMER0_COMP_A_vect
|
SIG_OUTPUT_COMPARE0A,
SIG_OUTPUT_COMPARE0_A
|
Timer/Counter0 Compare Match A
|
TIMER0_COMP_vect
|
SIG_OUTPUT_COMPARE0
|
Timer/Counter0 Compare Match
|
TIMER0_OVF0_vect
|
SIG_OVERFLOW0
|
Timer/Counter0 Overflow
|
TIMER0_OVF_vect
|
SIG_OVERFLOW0
|
Timer/Counter0 Overflow
|
TIMER1_CAPT1_vect
|
SIG_INPUT_CAPTURE1
|
Timer/Counter1 Capture Event
|
TIMER1_CAPT_vect
|
SIG_INPUT_CAPTURE1
|
Timer/Counter Capture Event
|
TIMER1_CMPA_vect
|
SIG_OUTPUT_COMPARE1A
|
Timer/Counter1 Compare Match 1A
|
TIMER1_CMPB_vect
|
SIG_OUTPUT_COMPARE1B
|
Timer/Counter1 Compare Match 1B
|
TIMER1_COMP1_vect
|
SIG_OUTPUT_COMPARE1A
|
Timer/Counter1 Compare Match
|
TIMER1_COMPA_vect
|
SIG_OUTPUT_COMPARE1A
|
Timer/Counter1 Compare Match A
|
TIMER1_COMPB_vect
|
SIG_OUTPUT_COMPARE1B
|
Timer/Counter1 Compare MatchB
|
TIMER1_COMPC_vect
|
SIG_OUTPUT_COMPARE1C
|
Timer/Counter1 Compare Match C
|
TIMER1_COMPD_vect
|
SIG_OUTPUT_COMPARE0D
|
Timer/Counter1 Compare Match D
|
TIMER1_COMP_vect
|
SIG_OUTPUT_COMPARE1A
|
Timer/Counter1 Compare Match
|
TIMER1_OVF1_vect
|
SIG_OVERFLOW1
|
Timer/Counter1 Overflow
|
TIMER1_OVF_vect
|
SIG_OVERFLOW1
|
Timer/Counter1 Overflow
|
TIMER2_COMPA_vect
|
SIG_OUTPUT_COMPARE2A
|
Timer/Counter2 Compare Match A
|
TIMER2_COMPB_vect
|
SIG_OUTPUT_COMPARE2B
|
Timer/Counter2 Compare Match A
|
TIMER2_COMP_vect
|
SIG_OUTPUT_COMPARE2
|
Timer/Counter2 Compare Match
|
TIMER2_OVF_vect
|
SIG_OVERFLOW2
|
Timer/Counter2 Overflow
|
TIMER3_CAPT_vect
|
SIG_INPUT_CAPTURE3
|
Timer/Counter3 Capture Event
|
TIMER3_COMPA_vect
|
SIG_OUTPUT_COMPARE3A
|
Timer/Counter3 Compare Match A
|
TIMER3_COMPB_vect
|
SIG_OUTPUT_COMPARE3B
|
Timer/Counter3 Compare Match B
|
TIMER3_COMPC_vect
|
SIG_OUTPUT_COMPARE3C
|
Timer/Counter3 Compare Match C
|
TIMER3_OVF_vect
|
SIG_OVERFLOW3
|
Timer/Counter3 Overflow
|
TIMER4_CAPT_vect
|
SIG_INPUT_CAPTURE4
|
Timer/Counter4 Capture Event
|
TIMER4_COMPA_vect
|
SIG_OUTPUT_COMPARE4A
|
Timer/Counter4 Compare Match A
|
TIMER4_COMPB_vect
|
SIG_OUTPUT_COMPARE4B
|
Timer/Counter4 Compare Match B
|
TIMER4_COMPC_vect
|
SIG_OUTPUT_COMPARE4C
|
Timer/Counter4 Compare Match C
|
TIMER4_OVF_vect
|
SIG_OVERFLOW4
|
Timer/Counter4 Overflow
|
TIMER5_CAPT_vect
|
SIG_INPUT_CAPTURE5
|
Timer/Counter5 Capture Event
|
TIMER5_COMPA_vect
|
SIG_OUTPUT_COMPARE5A
|
Timer/Counter5 Compare Match A
|
TIMER5_COMPB_vect
|
SIG_OUTPUT_COMPARE5B
|
Timer/Counter5 Compare Match B
|
TIMER5_COMPC_vect
|
SIG_OUTPUT_COMPARE5C
|
Timer/Counter5 Compare Match C
|
TIMER5_OVF_vect
|
SIG_OVERFLOW5
|
Timer/Counter5 Overflow
|
TWI_vect
|
SIG_2WIRE_SERIAL
|
2-wire Serial Interface
|
TXDONE_vect
|
SIG_TXDONE
|
Transmission Done, Bit Timer Flag 2
Interrupt
|
TXEMPTY_vect
|
SIG_TXBE
|
Transmit Buffer Empty, Bit Itmer Flag
0 Interrupt
|
UART0_RX_vect
|
SIG_UART0_RECV
|
UART0, Rx Complete
|
UART0_TX_vect
|
SIG_UART0_TRANS
|
UART0, Tx Complete
|
UART0_UDRE_vect
|
SIG_UART0_DATA
|
UART0 Data Register Empty
|
UART1_RX_vect
|
SIG_UART1_RECV
|
UART1, Rx Complete
|
UART1_TX_vect
|
SIG_UART1_TRANS
|
UART1, Tx Complete
|
UART1_UDRE_vect
|
SIG_UART1_DATA
|
UART1 Data Register Empty
|
UART_RX_vect
|
SIG_UART_RECV
|
UART, Rx Complete
|
UART_TX_vect
|
SIG_UART_TRANS
|
UART, Tx Complete
|
UART_UDRE_vect
|
SIG_UART_DATA
|
UART Data Register Empty
|
USART0_RXC_vect
|
SIG_USART0_RECV
|
USART0, Rx Complete
|
USART0_RX_vect
|
SIG_UART0_RECV
|
USART0, Rx Complete
|
USART0_TXC_vect
|
SIG_USART0_TRANS
|
USART0, Tx Complete
|
USART0_TX_vect
|
SIG_UART0_TRANS
|
USART0, Tx Complete
|
USART0_UDRE_vect
|
SIG_UART0_DATA
|
USART0 Data Register Empty
|
USART1_RXC_vect
|
SIG_USART1_RECV
|
USART1, Rx Complete
|
USART1_RX_vect
|
SIG_UART1_RECV
|
USART1, Rx Complete
|
USART1_TXC_vect
|
SIG_USART1_TRANS
|
USART1, Tx Complete
|
USART1_TX_vect
|
SIG_UART1_TRANS
|
USART1, Tx Complete
|
USART1_UDRE_vect
|
SIG_UART1_DATA
|
USART1, Data Register Empty
|
USART2_RX_vect
|
SIG_USART2_RECV
|
USART2, Rx Complete
|
USART2_TX_vect
|
SIG_USART2_TRANS
|
USART2, Tx Complete
|
USART2_UDRE_vect
|
SIG_USART2_DATA
|
USART2 Data register Empty
|
USART3_RX_vect
|
SIG_USART3_RECV
|
USART3, Rx Complete
|
USART3_TX_vect
|
SIG_USART3_TRANS
|
USART3, Tx Complete
|
USART3_UDRE_vect
|
SIG_USART3_DATA
|
USART3 Data register Empty
|
USART_RXC_vect
|
SIG_USART_RECV, SIG_UART_RECV
|
USART, Rx Complete
|
USART_RX_vect
|
SIG_USART_RECV, SIG_UART_RECV
|
USART, Rx Complete
|
USART_TXC_vect
|
SIG_USART_TRANS, SIG_UART_TRANS
|
USART, Tx Complete
|
USART_TX_vect
|
SIG_USART_TRANS, SIG_UART_TRANS
|
USART, Tx Complete
|
USART_UDRE_vect
|
SIG_USART_DATA, SIG_UART_DATA
|
USART Data Register Empty
|
USI_OVERFLOW_vect
|
SIG_USI_OVERFLOW
|
USI Overflow
|
USI_OVF_vect
|
SIG_USI_OVERFLOW
|
USI Overflow
|
USI_START_vect
|
SIG_USI_START
|
USI Start Condition
|
USI_STRT_vect
|
SIG_USI_START
|
USI Start
|
USI_STR_vect
|
SIG_USI_START
|
USI START
|
WATCHDOG_vect
|
SIG_WATCHDOG_TIMEOUT
|
Watchdog Time-out
|
WDT_OVERFLOW_vect
|
SIG_WATCHDOG_TIMEOUT,
SIG_WDT_OVERFLOW
|
Watchdog Timer Overflow
|
WDT_vect
|
SIG_WDT, SIG_WATCHDOG_TIMEOUT
|
Watchdog Timeout Interrupt
|



No comments:
Post a Comment